乐鱼网页版登录入口_乐鱼网页版在线登录
网站首页
关于我们
最新动态
产品展示
荣誉资质
技术实力
营销网络
乐鱼网页版登录入口
您现在的位置:网站首页 > 产品展示
产品展示
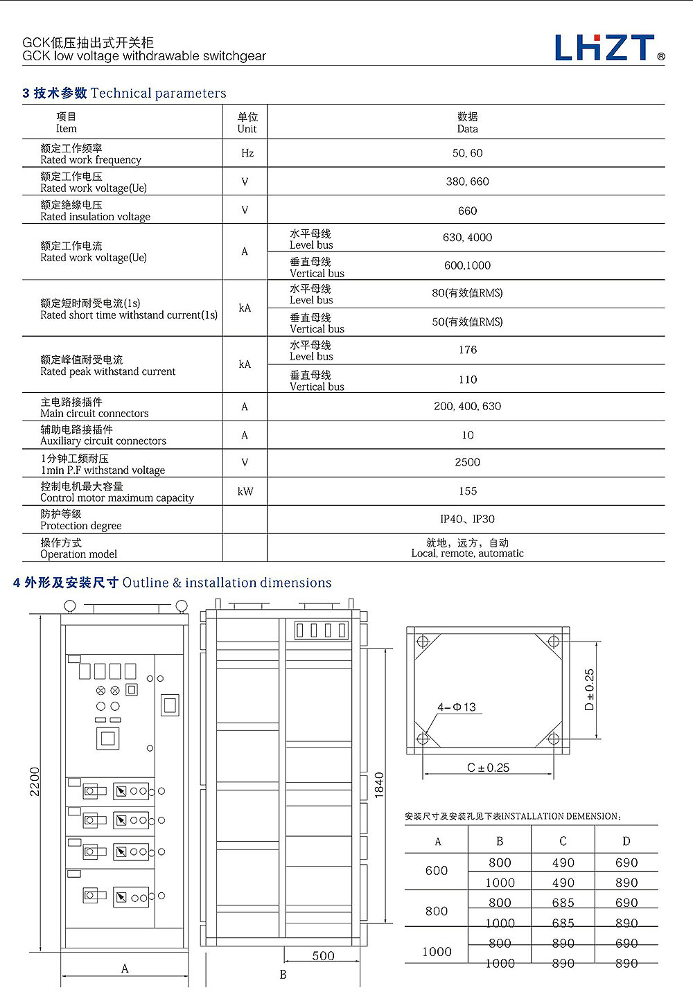
GCK低压抽出式开关柜
返回上一页
辽泰人将以更优质的产品、更完善的管理、更积极的服务与您携手共创辉煌的明天
关于我们
关于我们
最新动态
公司新闻
行业新闻
产品展示
产品展示
荣誉资质
荣誉资质
技术实力
技术实力
营销网络
营销网络
乐鱼网页版登录入口
乐鱼网页版登录入口
地址:乐鱼网页版在线登录
总机:0412-6177777
传真:0412-6177770
邮箱:chintgao@126.com
乐鱼网页版在线登录 © 版权所有
辽ICP备13007467号-1
辽公网安备 21038102000182号
米乐网页版
|
买球官网手机版·(中国)官方网站
|
九州网页版登录入口
|
安博app登录入口
|
华体会在线官网
|
九州官方网站平台(中国)官方网站
|
爱体育网页版登录入口
|
星空平台
|
爱体育官方网站
|